手机飞艇官方直播记录

微型齿轮减速电机

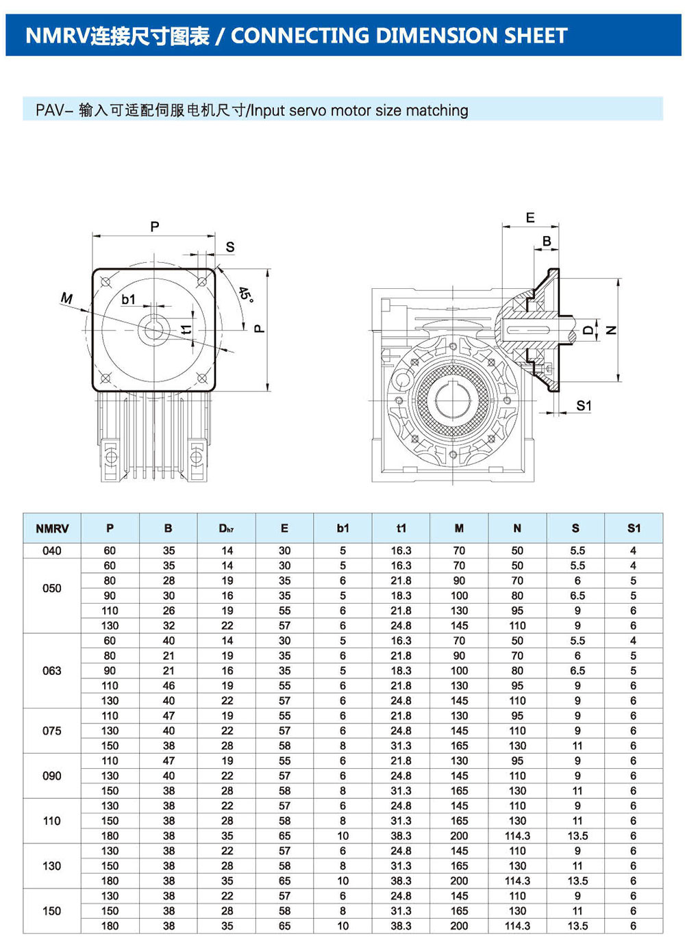
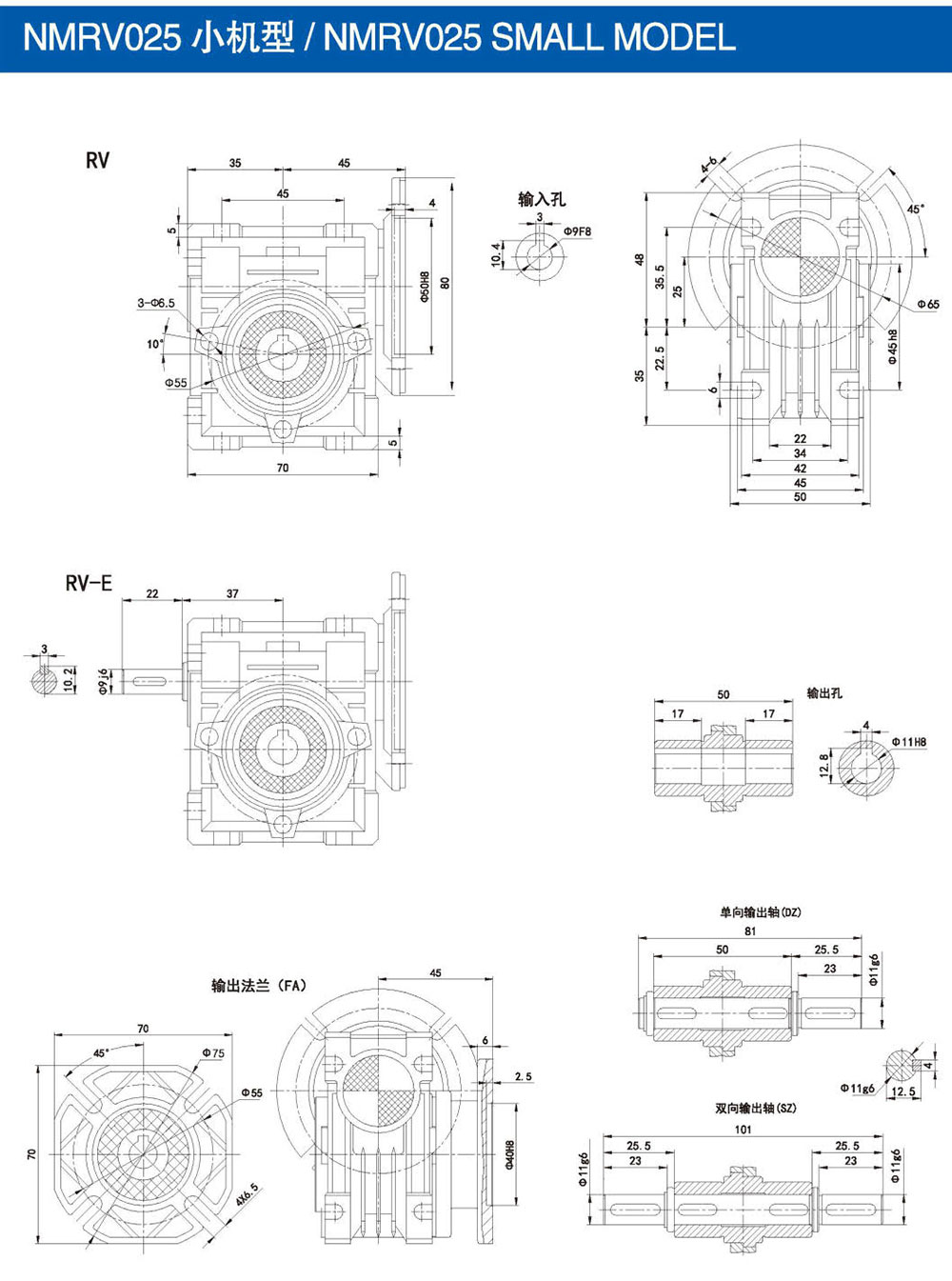
NMRV/NRV蜗轮蜗杆减速电机

1、RV蜗轮蜗杆减速机按Q/MD1-2000技术质量标准设计制造。
2、产品在符合按标准GB10085-88蜗杆轮参数基础之上,蜗轮蜗杆减速机吸取国内外科技,独具新颖一格的“方箱型”外结构,箱体外形美观,以优质铝合金压铸而成。
3、RV 蜗轮蜗杆减速机目前已广泛应用于冶金、矿山、输送、水利、化工、食品、饮料、纺织、烟草、包装、环保等众多行业和领域工艺装备的机械减速装置,深受用户的好评、是目前现代工业装备实现大速比低噪音、高稳定机械减速传动控制装置的选择。



















手机飞艇官方直播记录