手机飞艇官方直播记录

重载型减速机

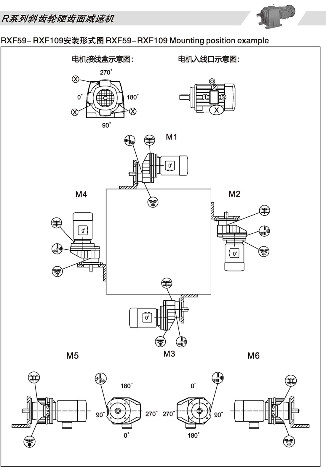
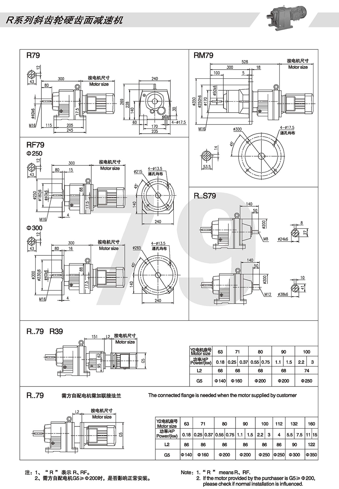
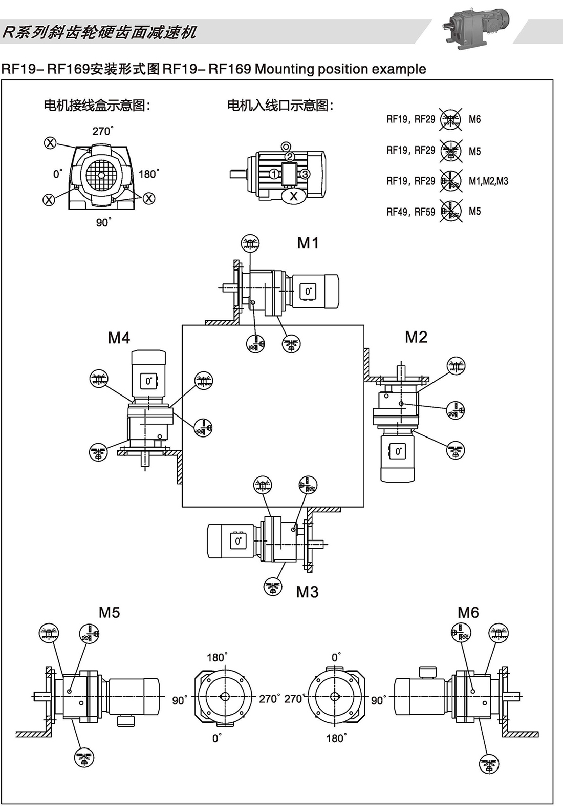
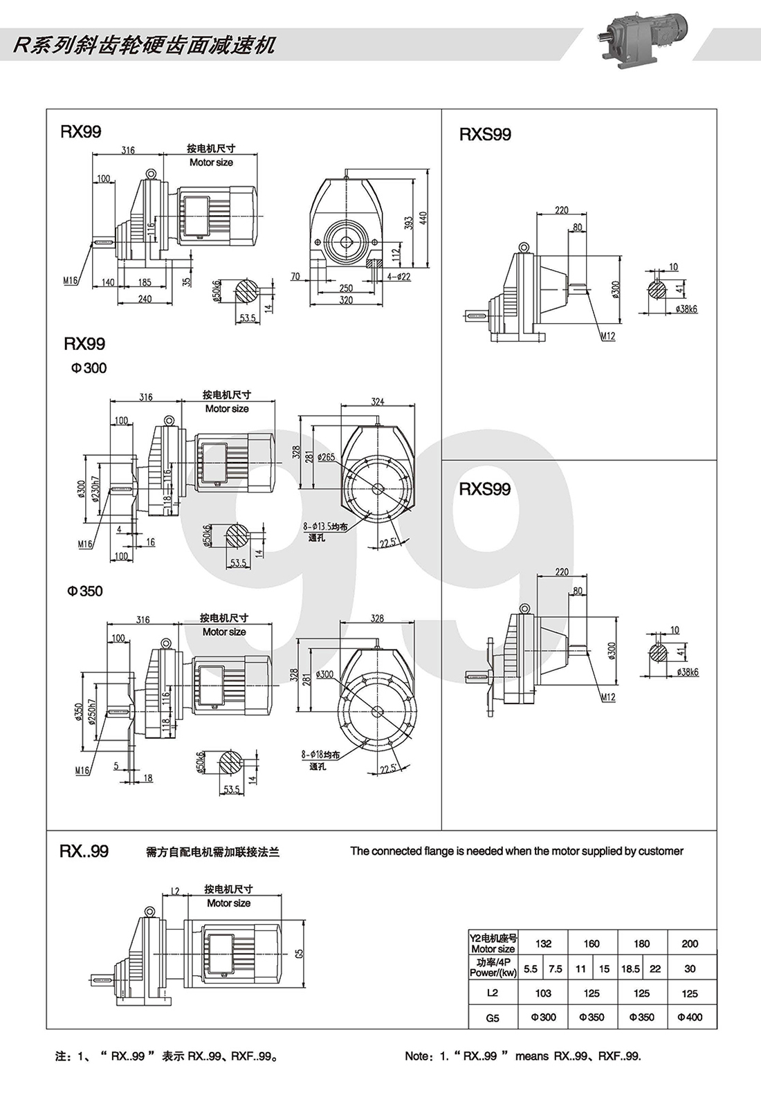
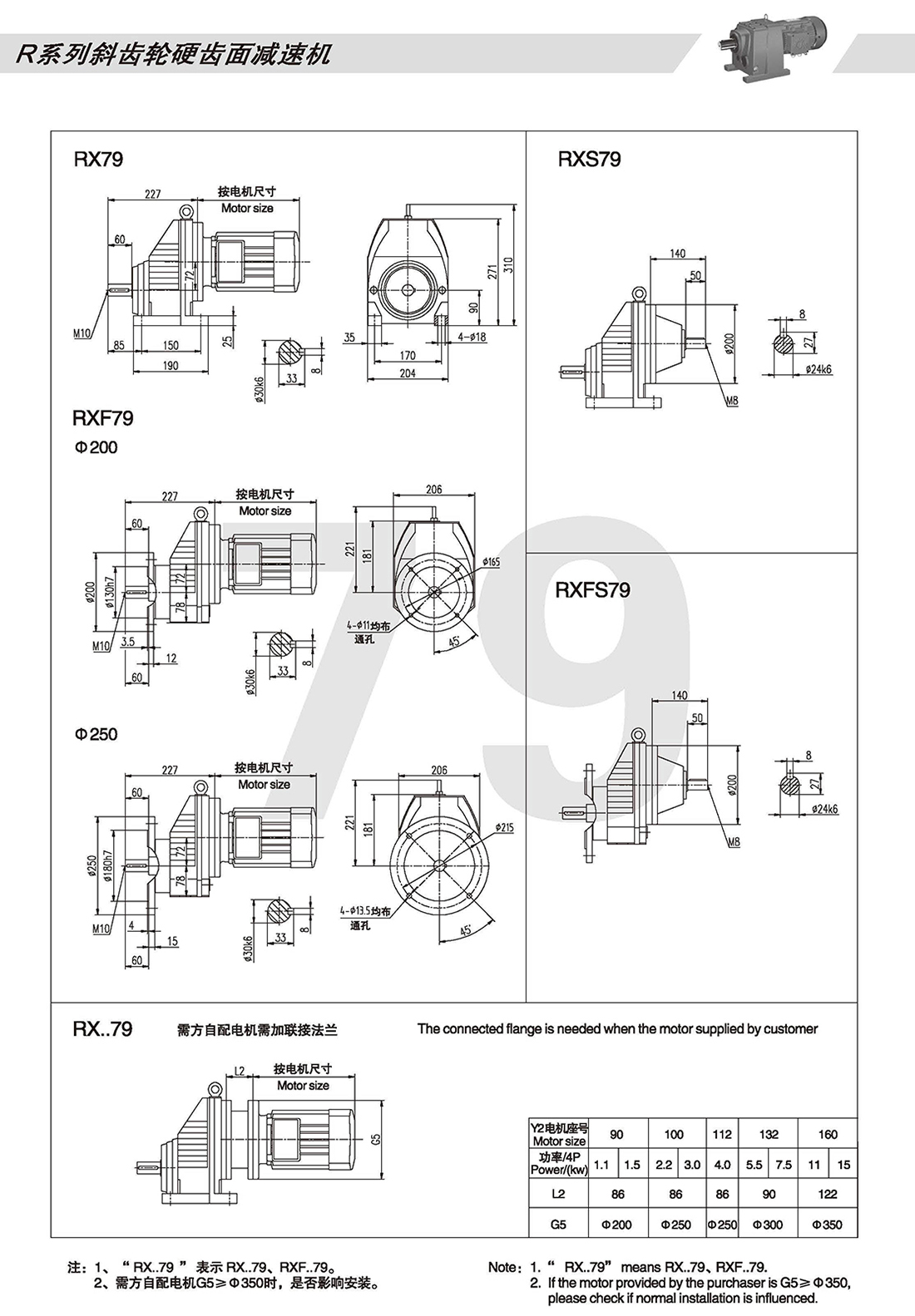
R系列斜齿轮硬齿面减速机