手机飞艇官方直播记录

减速机·丝杆升降机

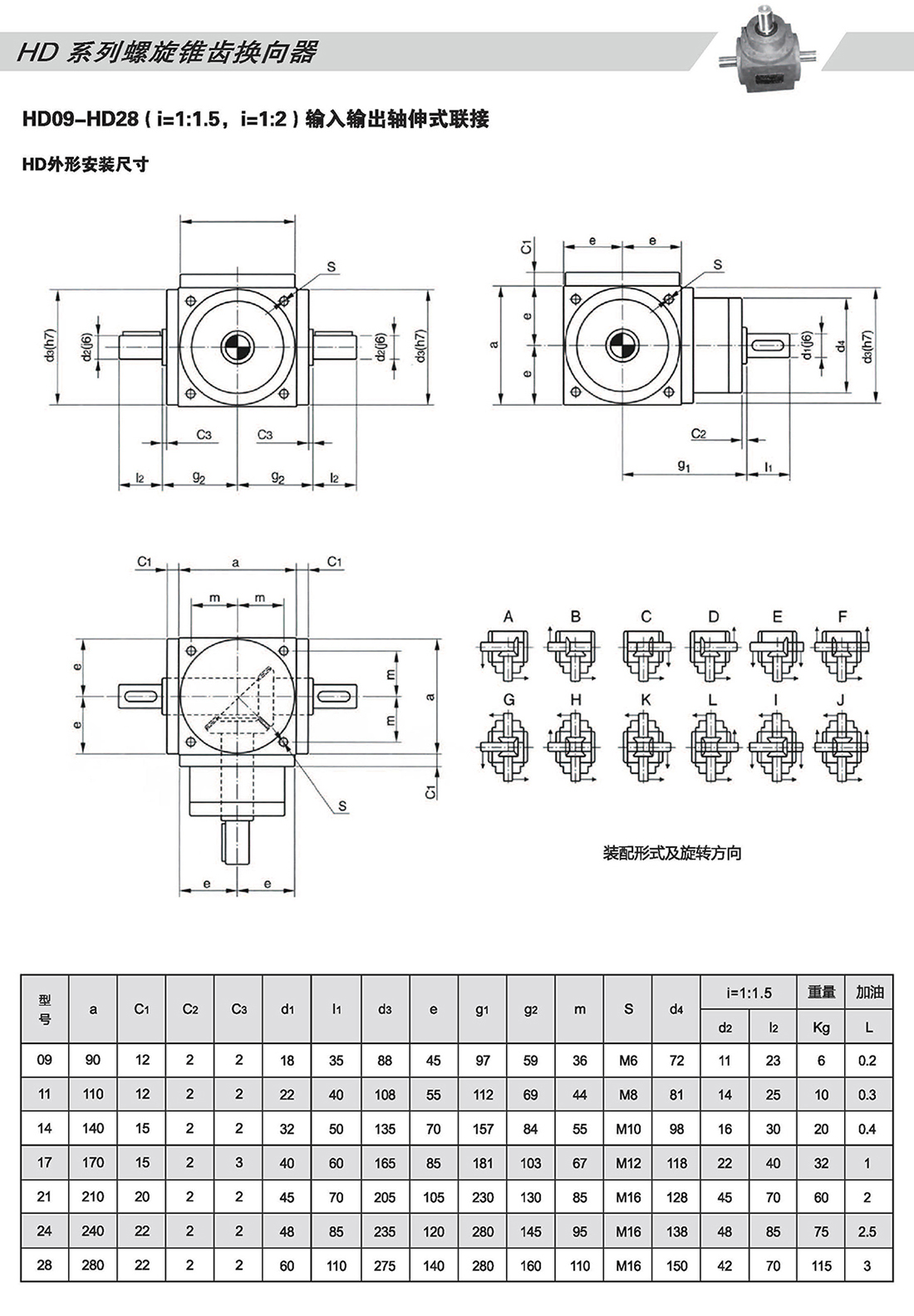
HD系列螺旋锥齿换向器









手机飞艇官方直播记录