MELSERVO-J3伺服驱动
实现高性能、功能性和用户友好性
旋转马达功率在50W至55kW之间。分为线性伺服马达和直接驱动式马达。
与SSCNETⅢ兼容、通用(脉冲和模拟输入)接口和CC-Link兼容(内置定位功能)。
262,144脉冲/转编码器,100/200/400VAC等级和50W至55kW的产品范围。
HF-KP/MP/SP/JP、HC-LP/RP/UP、HA-LP系列
4个马达系列(LM-H2/LM-U2/LM-F/LM-K2),可用于多种用途。
适用于需要低速度、高转矩的应用。可提供4种不同的机架和12种马达。

MELSERVO-JE伺服驱动
速度频率响应2.0kHz,同类等级中的性能。三菱伺服“MELSERVO-JE”以备受推崇的“一键式调谐”功能,进一步完善其易用性。
HF-KN系列:小容量,低惯量
容量:100-750W
HF-SN系列:中容量,中惯量

MELSERVO-J4伺服驱动
高精度高响应性能。
基于人(用户友好型、安全功能)、机(高性能)和环境(节能)的理念,MELSERVO将伺服放大器引入市场。
与SSCNETⅢ/H兼容,通用(脉冲和模拟输入)接口。符合安全标准。2/3轴伺服放大器。
400万脉冲/转的编码器,200VAC等级和50W—7kW的产品范围。
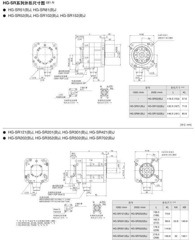
HG-KR/HG-MR/HG-SR系列。
4个马达系列(LM-H3/LM-U2/LM-F/LM-K2),可用于多种用途。
适用于需要低速度、高转矩的应用。可提供4种不同的机架和12种马达。

三菱MELSERVO-J3系列伺服型号:
三菱MELSERVO-JE系列伺服型号:
HF-KN系列
HF-SN系列
三菱MELSERVO-J4系列伺服型号: